Bei „dreieee“ bieten wir ein breites Spektrum an Dienstleistungen, um Ihre Energieeffizienz zu steigern und nachhaltige Energielösungen zu implementieren. Unsere Expertise erstreckt sich auf folgende Bereiche:

Wir begleiten Sie von der ersten Idee bis zur fertigen Anlage – effizient, technologieoffen und CO₂-neutral:

Blockheizkraftwerke (BHKW) verbinden Strom- und Wärmeerzeugung in einem effizienten System. Unsere Leistungen umfassen:
Analyse des Energiebedarfs und Machbarkeitsprüfung
Wir planen technologieoffen, wirtschaftlich sinnvoll und mit Blick auf Versorgungssicherheit und Klimaziele.



Wir planen Nahwärmekonzepte – effizient, CO₂-arm und zukunftsfähig:

Wir entwickeln maßgeschneiderte Energiekonzepte – effizient, nachhaltig und zielführend:



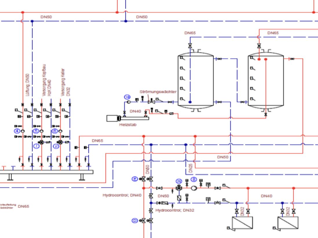
Wir planen Wärmeerzeugungssysteme individuell und technologieoffen – abgestimmt auf Bedarf, Standort und Energieziele. Dabei berücksichtigen wir:
Im Fokus stehen eine effiziente Integration, minimale Emissionen und eine zukunftssichere Versorgung – technisch fundiert, nachhaltig und wirtschaftlich durchdacht

Wir planen leistungsfähige und energieeffiziente Kältesysteme für industrielle und gebäudetechnische Anwendungen – bedarfsgerecht, nachhaltig und zukunftssicher:
Unsere Lösungen berücksichtigen technische Anforderungen ebenso wie gesetzliche Vorgaben (z. B. F-Gas-Verordnung) und wirtschaftliche Rahmenbedingungen.



Durch gezielte Maßnahmen steigern wir die Effizienz Ihrer Energieinfrastruktur – technisch fundiert und praxisnah:

Mit mobilen Ultraschallmessungen erfassen wir präzise den Energieverbrauch und decken Optimierungspotenziale auf – zerstörungsfrei, schnell und zuverlässig:
Diese Analysen liefern belastbare Daten für fundierte Entscheidungen – ideal als Basis für Effizienzmaßnahmen, Umbauten oder Betriebsoptimierungen.



Wir begleiten Sie von Anfang an:
Unser Fokus liegt dabei immer auf individuellen, praxisnahen Lösungen. Keine Systeme von der Stange, sondern Anlagen, die exakt auf euren Standort, Energieverbrauch und die betrieblichen Ziele zugeschnitten sind.

Ein Stromspeicher macht Ihre PV-Anlage noch effizienter – und Ihr Unternehmen noch unabhängiger. Überschüssige Energie wird gespeichert und steht genau dann zur Verfügung, wenn sie gebraucht wird. So lassen sich Lastspitzen abfangen, Eigenverbrauchsquoten erhöhen und sogar Notstromlösungen integrieren.
Wir unterstützen Sie bei:
Mit einem durchdachten Speicherkonzept schaffen Sie mehr Versorgungssicherheit, Kostenkontrolle und Flexibilität in Ihrer Energieinfrastruktur.
